武科大考研辅导班:2019年武汉科技大学818液压传动(B卷)考研真题
一、选择题(共5小题,每小题3分,共15分)
1、液压缸将( )。
A. 机械能转换为液压能; B. 液压能转换为机械能; C. 化学能转换为液压能。
2、齿轮泵作为定量泵是指其( )不变 。
A. 流量; B. 压力; C. 排量。
3、先导式溢流阀是( )测压。
A. 入口; B. 出口; C. 漏油口。
4、冷却器用于降低液压系统的温度,当系统温度高于( )°C 时,就需要冷却。
A. 55; B. 80; C. 30。
5、下面符号中( )表示两位两通液动换向阀。
A.
; B.
; C.
。
二、简答题:(共4小题,每小题8分,共32分)
1、简述液压系统组成及功能。
2、液压油的代号L-HL32表示什么含义?
3、单作用叶片泵与双作用叶片泵的区别有哪些?
4、简述溢流阀和减压阀的功能,并比较二者不同之处。
三、计算题(本题20分)
如图1所示泵、管道和马达系统。已知:泵排量Vp=45mL/r,容积效率hvp=0.95,机械效率hmp=0.95,驱动电机转速n =1470 r /min;马达的排量Vm =100 mL/r、机械效率hmm=0.95,容积效率hvm=0.95、其负载力矩Tm =345N×m;不计泵出口至马达进口管道的能量损失。试求:
1. 马达的转速nm (r/min)? (5分)
2. 马达的输入功率Nm (kW)?(5分)
3. 泵轴的输入功率Ni (kW)? (5分)
4. 阀的调整压力pt (MPa)?(5分)

四、元件分析(共2小题,第1题15分,第2题18分,共33分)
1、如图2 所示为一液压阀结构原理示意图,试回答以下问题:
(1)写出该阀的名称并在答题纸上画出其职能符号;(5分)
(2)叙述其工作原理。(10分)
图2某液压阀结构原理示意图
2、如图3所示为一先导式液压阀结构原理示意图,试回答以下问题:
(1)写出该阀的名称,并叙述其工作原理;(10分)
(2)该阀的导阀回油口阻塞时,其主阀口处于开启还是关闭?假定此时导阀设定压力为7MPa,供油压力为12MPa,该阀出口压力为多少?为什么?(8分)
图 3 某液压阀结构原理示意图
五、系统设计(本题23分)
图4中给出了一组液压元件简化符号,请利用这些元件设计一个液压系统,用于将如图所示重物吊起或放下,且要求重物可在任意位置停住。试回答以下问题:
1. 设计并在答题纸上绘制液压回路的原理图;(10分)
2. 试写出元件3和7的名称和功用;(8分)
3. 试写出元件的5名称,并说明其中位的功用。(5分)

图 4 液压元件符号
六、系统分析(本题27分)
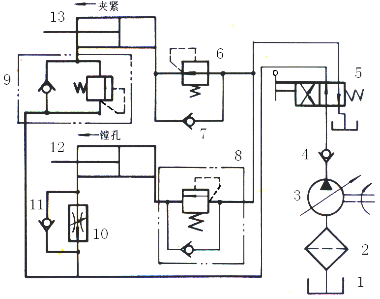
图5为镗床液压系统原理图,其工况为:夹紧—工进—加工—退刀—松开—停止。试回答以下问题:
1. 写出元件2、5、6和8的名称,它们在该回路中起何作用?(14分)
2. 试简述“退刀—松开”的工作原理。(13分)
图 5 镗床液压系统原理图


















